
直流无刷电动机
- ◆ 适用于高效商用空调室外机组
- ◆ 高效、高精度、低噪音
- ◆ 功率范围:900~1,200 W

直流无刷电动机

直流无刷电动机

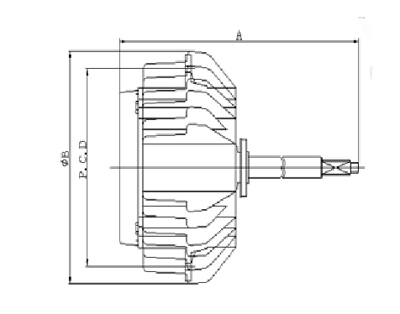
| 出力 (kW) |
机种名 | 电压 (V) |
转速 (r/min) |
绝缘等级 |
IP等级 |
极数 |
A (mm) |
B (mm) |
P.C.D (mm) |
|---|---|---|---|---|---|---|---|---|---|
| 1.2 | DC系列 | DC 280~340 | 1200 | E | 43 | 6P | 408.4 | 205 | 180 |
| 1.2 | DC系列 | DC 280 | 900 | E | 43 | 8P | 408.4 | 205 | 180 |
| 1.2 | DC系列 | DC 280 | 1200 | E | 43 | 8P | 339.5 | 205 | 180 |

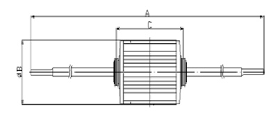
直流无刷电动机

| 出力 (kW) |
机种名 | 电压 (V) |
转速 (r/min) |
绝缘等级 |
IP等级 |
极数 |
A (mm) |
B (mm) |
C (mm) |
|---|---|---|---|---|---|---|---|---|---|
| 0.87 | DC系列 | DC 280 | 400~1200 | E | 43 | 8P | 665 | 163 | 212 |

直流无刷电动机

| 出力 (kW) |
机种名 | 电压 (V) |
转速 (r/min) |
绝缘等级 |
IP等级 |
极数 |
A (mm) |
B (mm) |
C (mm) |
|---|---|---|---|---|---|---|---|---|---|
| 0.98 | DC系列 | DC 280 | 700~1350 | E | 43 | 8P | 720 | 171 | 212 |